霍尔传感器 新能源汽车使用
浏览次数:313次
- 产品规格:
- 发货地:上海市嘉定区嘉定镇街道
关键词
传感器
详细说明
是否自研是
名称霍尔
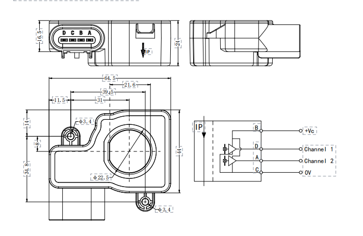
型号AHKC-DHAB
产品特点:
安装方便Easymounting
体积小,节省空间Smallsizeandspacesaving
无插入损耗Noinsertionlosses
抗干扰能力强Highimmunitytoexternalinterference

错误的接线可能导致传感器损坏。
Thefalsewiringmayresultinthedamageofthe sensor.
Ip方向与产品箭头方向一致时,输出电压为正极。VOUTispositivewhenIPflowsinthedirectionof thearrow.
当初级导体完全充满初级孔径时动态表现(di/dt和响应时间)为最佳效果。
Dynamicperformances(di/dtandresponsetime)arebestwithasinglebarcompletelyfillingthe primaryhole.
初级导体的温度不应超过100℃。
Temperatureoftheprimaryconductorshouldnot exceed100°C.
这是一个标准的产品,需要其他规格(测量电流、
电源电压、输出电压、连接器、转换比率等)请联系我们。

m.xfdq88.b2b168.com
2881644648